PV系列L型快插式彎通接頭PV-4/6/8/10/12/14/16
訂購代碼
技術參數
型號
PV-4
PV6
PV-8
PV-10
PV-12
PV-14
PV-16
流體介質
最大壓力
1.32Mpa(13.5kgf/cm2)
壓力范圍
0~0.9Mpa(0~9.2kgf/cm2)
-99.99~0Mpa(-750~0mmHg)
溫度
0℃~60℃
適用氣管
PU/Nylon tube
接管尺寸
4mm,6mm ,8mm,10mm,12mm,14mm,16mm
空氣
正常
低壓
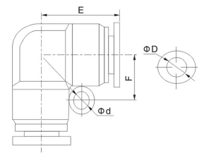
尺寸圖

公制尺寸
φD
E
F
φd
PV-4
4
18.5
-
3.5
PV-6
6
20.5
8
3.5
PV-8
8
23.5
10
4.5
PV-10
10
28
12
4
PV-12
12
30.5
14
5
PV-14
14
31
13
4
PV-16
16
34.5
17
4



