AC2000 BC3000 BC4000 Airtac type F.R.L combination Pneumatic air pressure filter regulator lubricator
Order code
Symbol

Technical parameter
Model
AC2000
BC2000
BC3000
BC4000
Combinations
Filter
AF2000
BF2000
BF3000
BF4000
Regulator
AR2000
BR2000
BR3000
BR4000
Lubricator
AL2000
BL2000
BL3000
BL4000
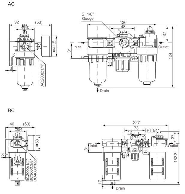
Port size
1/4”
1/4”
3/8”
1/2”
Proof Pressure
1.5Mpa(15.3kgf/cm2)
Max.Operating Pressure
0.95Mpa(10.2kgf/cm2)
Temperature
5℃~60℃
Filtration
40μm
Suggested Lubricating Oil
Turbine No.1 Oil(ISOVG32)
Filter bowl capacity
15CC
60CC
60CC
60CC
Lubricator bowl capacity
25CC
90CC
90CC
90CC
Body material
Aluminum alloy
Bowl material
PC
Bowl guard
Without guard
With guard
With guard
With guard
With guard
Dimension

Feature
.AC2000 BC2000 BC3000 BC4000 series pressure regulator FRL units three combination air pressure regulator air filter oil lubricator supports accurate adjustment of oil mist,rotate the knob to easily adjust the amount of oil mist
.air source body is marked with direction marks,which is convenient for installation
.High precision filter element,efficiently filter impurities such as water/oil/dust in the air




