SMC CCT series Air Hydro Pneumatic-to-Hydraulic Converter Gas-hydraulic Pressure Cylinder
Order code
Symbol

Technical parameter
Bore size(mm)
32
40
50
63
80
100
Acting type
Double acting
Fluid
Air
Mounting type
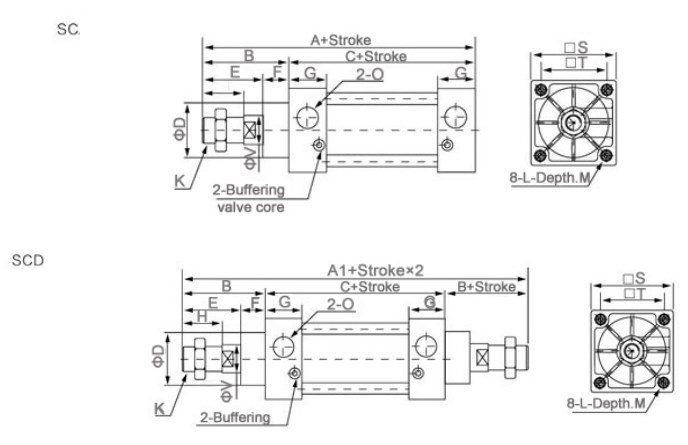
SC
Basic FA FB CA CB LB TC TCM1
SCD,SCJ
Basic FA LB TC TCM1
Operating pressure
0.15~1.0MPa
Proof pressure
1.5MPa
Temperature ℃
-5~60
Speed range mm/s
30~800
Cushion type
Variable cushion
Adjustable cushion stroke
21
28
29
Port size
1/8”
1/4”
3/8”
1/2”
Feature
Air-hydro converter, series CCT
Converter size (mm): 63, 100, 160
Stroke range (mm): 50 to 800
Operating pressure: 0 to 0.7MPa
Proof pressure: 1.05MPa
Fluid: turbine oil (40 to 100cSt)



