3 port 2 way M3 mechanical valve M3PL M3PP M3PF M3PM M3HS M3B
Order code
Symbol
Technical parameter
|
Item No. |
CM3□-05 |
CM3□-06 |
CM3□-08 |
|
Fluid |
Air |
||
|
Operation type |
External control |
||
|
Pressure range |
0-1.0 Mpa |
||
|
Proof pressure |
1.5Mpa |
||
|
Ambient and fluid temperature |
-20 to 70℃ |
||
|
Valve type |
3 port 2 position |
||
|
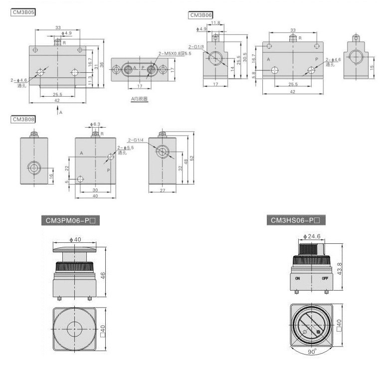
Port size |
M5*0.8 |
1/8” |
1/4” |
|
Orifize size |
2.0mm2 |
2.5mm2 |
15.0mm2 |
|
Cv value |
0.11 |
0.14 |
0.84 |
Feature
M3PP M3PF M3HS mechanical valves are 3 way, 2 position valves that are available with M5 ports, 1/8 ports, and 1/4 ports. The M3 valve series with the threaded exhaust ports allows piping of exhaust air and installation of noise reducing mufflers.












